Thursday, 12 August 2021

50+ 02 Buick 3 1 Engine Diagram Gif

50+ 02 Buick 3 1 Engine Diagram
Gif
. Here is a picture gallery about 2002 buick century engine diagram complete with the description of the image, please find the image you need. How to replace the intake in a gm 3.1l engine?

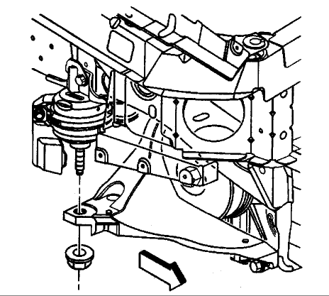
2000 2005 Lesabre Right Engine Mount Replacement Buick Forums
2000 2005 Lesabre Right Engine Mount Replacement Buick Forums from buickforums.com
The distributor rotates in a clockwise direction, with #1 plug wire located at the upper left of the distributor the firing order on a 3.1 v6 is simple. 2) unplug and mark 8 or 9 electrical connectors from their devices at the top firewall side of the engine. 4) remove the accelerator and cruise control cables from the mounting bracket.

Apr 24, 2018 · a detailed diagram of wires spark plug i know the front of the car i have 2 4 6 i have in the back 1 3 5 and in the coil i have 1 6 4 2 3 5 could explain the order of the cables.

I think this is #5 so why is it showing #6 misfire. Looking at the engine from front of car, which cyl is #6. 2) unplug and mark 8 or 9 electrical connectors from their devices at the top firewall side of the engine. Again, it is the firewall side of engine, furtherest on the left near alternator.


No comments:

Post a Comment

18+ 06 F350 V10 Fuse Diagram PNG

18+ 06 F350 V10 Fuse Diagram PNG . Ford v10 oil diagram reading industrial wiring diagrams. Power point (instrument panel) 5. ...